Mexen Egon SMC cadita 100 x 80 cm, alb - 4R108010
Mexen Egon SMC cadita 100 x 80 cm, alb - 4R108010
1050,00 RON
749,99 RON
Preț redus:
749,99 RON
Preț normal:
1050,00 RON
Preț: 749,99 RON / buc RON
Preț: 749,99 RON / buc RON
- Descriere
- Detalii produsului
Mexen Egon SMC cadita 100 x 80 cm, alb - 4R108010 Prezentarea
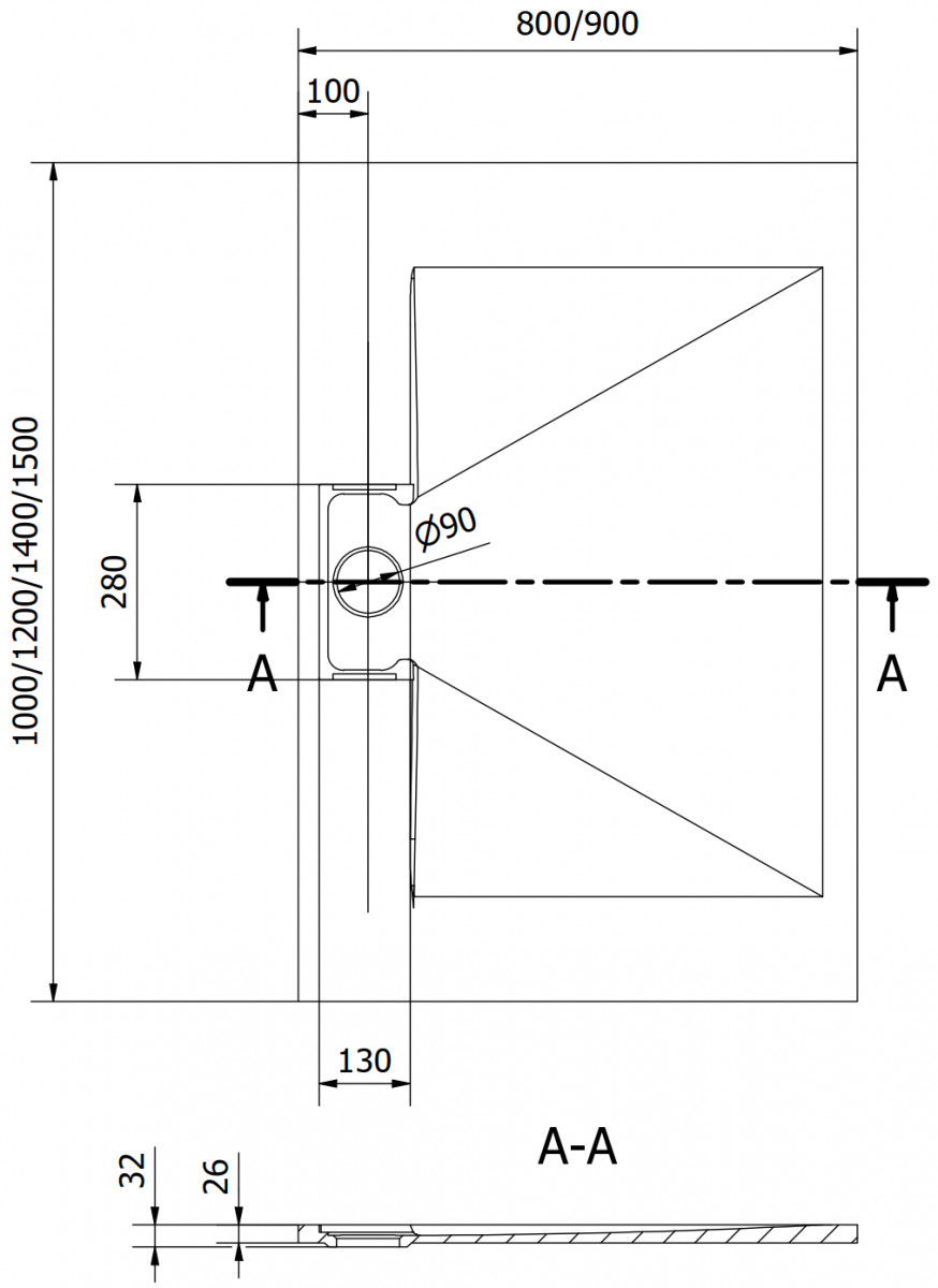
CadIă de duș subțiată cu efect de piatră Metxen, care combină cele mai recente tendințe în baie cu utilizarea practică. Poate fi instalat pe podea sau înfundat în podea, creând astfel o suprafață de duș plană cu pardoseala finală.
O varianta cu sifon de dus ascuns, cu o suprafata placuta la atingere, estetica, cu efect de piatra naturala, care ofera un anti-alunecare mai eficient in comparatie cu caditele de dus traditionale din acril. Materialul său este acrilic SMC extrem de durabil și rezistent (compozit de turnare a foilor), care este un compozit extrem de masiv armat cu fibră de sticlă. Setul de sifon este inclus in pachet.
Înălțime: 2,6 cm (cu gura de scurgere 3,2 cm)
Diametru scurgere: 90 mm